Bloques del 141 al 160
Pincha sobre la imagen para verlo a tamaño completo en una ventana nueva y poder descargarlo.
Esquema |
 |
|
Motor de dos velocidades con devanado en conexión DAHLANDER con preselección del sentido de giro. |
Esquema |
 |
|
Motor de dos velocidades con devanado en conexión DAHLANDER con arranque estrella-triángulo para la marcha lenta. |
Esquema |
 |
|
Arranque con resistencias estatóricas. |
Esquema |
 |
|
Arranque con resistencias estatóricas con inversión del sentido de giro. |
Esquema |
 |
|
Arranque estrella-triángulo. |
Esquema |
 |
|
Arranque estrella-triángulo con inversión del sentido de giro. |
Esquema |
 |
|
Arranque directo. |
Esquema |
 |
|
Arranque directo con inversión del sentido de giro. |
Esquema |
 |
|
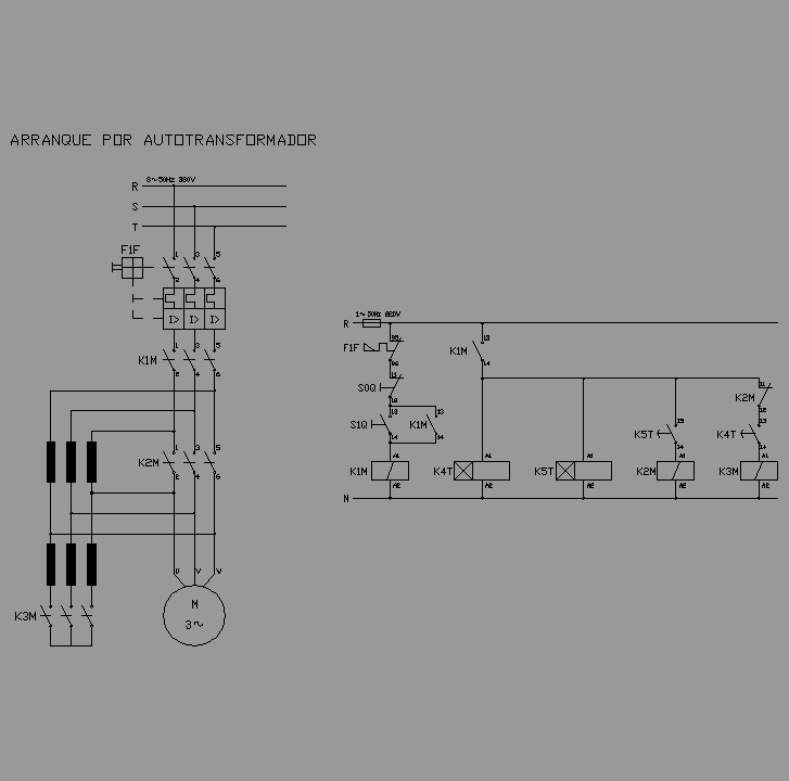
Arranque por autotransformador. |
Esquema |
 |
|
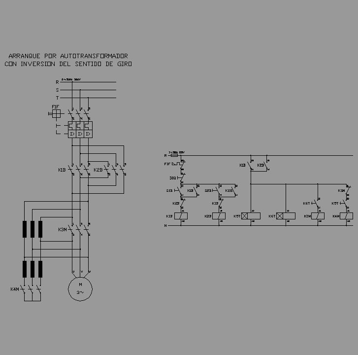
Arranque por autotransformador con inversión del sentido de giro. |
Herraje A.T. |
 |
|
Explosor en forma de anillo mod. 37/22 R-1. |
Herraje A.T. |
 |
|
Explosor en forma de anillo doble mod. 37/22 RD-1. |
Herraje A.T. |
 |
|
Explosor en forma de anillo simple mod. 37/16 R. |
Herraje A.T. |
 |
|
Explosor en forma de anillo doble mod. 37/16 RD. |
Herraje A.T. |
 |
|
Explosor mod. E1752. |
Herraje A.T. |
 |
|
Explosor mod. E1753. |
Herraje A.T. |
 |
|
Explosor mod. E1754. |
Herraje A.T. |
 |
|
Grapa de suspensión GS-1, GS-2, GS-21, GS-3, GS-31, GS-4 y GS-5. |
Herraje A.T. |
 |
|
Grapa de suspensión GS-4-AE, GS-5-AE y GS-6-AE . |
Herraje A.T. |
 |
|
Grapa de empalme de conductor GPC-8/16. |
|